- SPECIFICATIONS
- SAFETY INFORMATION
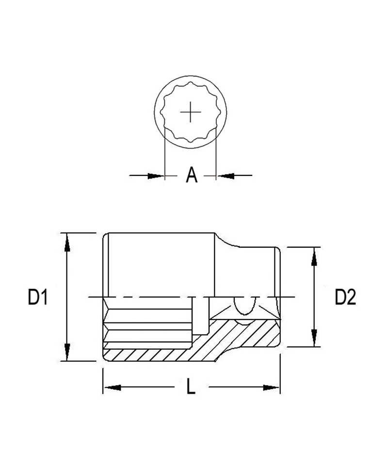
1/2" Dr. 12 pt. SAE Hand Sockets
| Item No. | A inch |
D1 mm |
D2 mm |
Length mm |
Weight G |
PCS |
G.W. kgs. |
CUFT |
Code @ |
||
|---|---|---|---|---|---|---|---|---|---|---|---|
| 473810 | 5/16 | 13 | 24 | 38 | 80 | 200 | 17.0 | 0.59 | 000300 | ||
| 473812 | 3/8 | 15 | 24 | 38 | 80 | 200 | 17.0 | 0.59 | 000300 | ||
| 473814 | 7/16 | 17 | 24 | 38 | 80 | 200 | 17.0 | 0.59 | 000300 | ||
| 473816 | 1/2 | 19 | 24 | 38 | 80 | 200 | 17.0 | 0.59 | 000300 | ||
| 473818 | 9/16 | 21 | 24 | 38 | 80 | 200 | 17.0 | 0.59 | 000300 | ||
| 473819 | 19/32 | 22 | 24 | 38 | 80 | 200 | 17.0 | 0.59 | 000315 | ||
| 473820 | 5/8 | 23 | 24 | 38 | 90 | 200 | 19.0 | 0.59 | 000345 | ||
| 473821 | 21/32 | 24 | 23 | 38 | 85 | 200 | 17.0 | 0.59 | 000365 | ||
| 473822 | 11/16 | 25 | 24 | 38 | 100 | 200 | 21.0 | 0.59 | 000365 | ||
| 473824 | 3/4 | 27 | 25 | 40 | 130 | 200 | 27.0 | 0.59 | 000405 | ||
| 473825 | 25/32 | 28 | 26 | 40 | 135 | 200 | 28.0 | 0.59 | 000420 | ||
| 473826 | 13/16 | 29 | 27 | 40 | 140 | 150 | 22.0 | 0.52 | 000450 | ||
| 473828 | 7/8 | 31 | 28 | 42 | 150 | 150 | 24.0 | 0.52 | 000470 | ||
| 473830 | 15/16 | 33 | 30 | 44 | 180 | 150 | 28.0 | 0.52 | 000510 | ||
| 473832 | 1 | 35 | 32 | 44 | 190 | 100 | 20.0 | 0.62 | 000525 | ||
| 473834 | 1-1/16 | 37 | 34 | 46 | 200 | 100 | 21.0 | 0.62 | 000580 | ||
| 473836 | 1-1/8 | 39 | 36 | 46 | 220 | 100 | 23.0 | 0.62 | 000660 | ||
| 473838 | 1-3/16 | 41 | 37 | 46 | 240 | 100 | 25.0 | 0.62 | 000700 | ||
| 473840 | 1-1/4 | 43 | 40 | 46 | 260 | 100 | 27.0 | 0.62 | 000755 | ||
| 473842 | 1-5/16 | 44 | 41 | 46 | 290 | 50 | 15.0 | 0.41 | 001000 | ||
| 473844 | 1-3/8 | 47 | 43 | 48 | 350 | 50 | 17.0 | 0.41 | 001000 | ||
| 473846 | 1-7/16 | 48 | 45 | 48 | 380 | 50 | 20.0 | 0.41 | 001000 | ||
| 473848 | 1-1/2 | 51 | 47 | 48 | 410 | 30 | 13.0 | 0.34 | 001000 | ||
| 473850 | 1-9/16 | 54 | 48 | 55 | 510 | 30 | 16.0 | 0.34 | 001260 | ||
| 473852 | 1-5/8 | 56 | 48 | 55 | 520 | 30 | 17.0 | 0.34 | 001350 |
Conversion Calculator
=
1















